top of page
Caixa Controladora Analógica APC Estroboscópio Led de Alta Potência
Características
Aplicações
1.DC24V entrada.
2.Stepless ajustável de tensão de saída.
3. tamanho compacto.
4.gatilho externo.
Sistema de Trabalho

Parâmetros

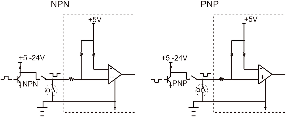
Diagrama de fiação do gatilho externo

LTS-APC24-2F, TS pull up (constantemente ligado), quando o nível alto de entrada NPN (5-24 v), a luz se apaga; quando o nível baixo de entrada PNP (0-1,5 v), a luz se apaga.
LTS-APC24-2F, TS pull down (desligado constante), quando o nível alto da entrada NPN (5-24 v), a luz acende; quando o nível baixo de entrada PNP (0-1,5 v), a luz acende.
bottom of page







